|
|

|
Porsche, and the Porsche crest are registered trademarks of Dr. Ing. h.c. F. Porsche AG.
This site is not affiliated with Porsche in any way. Its only purpose is to provide an online forum for car enthusiasts. All other trademarks are property of their respective owners. |
|
|
![]() ![]() |
| TonyA |
Apr 3 2026, 01:39 PM
Post
#1
|
|
Nachmal ![]() ![]() ![]() Group: Members Posts: 675 Joined: 17-November 16 From: Hilltown PA Member No.: 20,596 Region Association: North East States
|
I had everything working fine before i installed the engine.
Now the small green turn signal light stays on. I removed all the turn signal bulbs and its still on? I moved the hazard switch a bunch of times on and off. any ideas.? |
| Rob-O |
Apr 3 2026, 02:26 PM
Post
#2
|
|
Senior Member ![]() ![]() ![]() Group: Members Posts: 1,313 Joined: 5-December 03 From: Mansfield, TX Member No.: 1,419 Region Association: Southwest Region
|
Is the turn signal stalk actuated? It’s a 70’s European vehicle. The turn signal (both front and rear) is designed to stay on when the key is removed and the stalk is actuated for a left turn or a right turn.
|
| TonyA |
Apr 3 2026, 02:56 PM
Post
#3
|
|
Nachmal ![]() ![]() ![]() Group: Members Posts: 675 Joined: 17-November 16 From: Hilltown PA Member No.: 20,596 Region Association: North East States
|
Yea i read about that. No it is not on. This is a 1974 early march if that matters
Thanks |
| Spoke |
Apr 3 2026, 07:19 PM
Post
#4
|
|
Jerry ![]() ![]() ![]() ![]() ![]() Group: Members Posts: 7,371 Joined: 29-October 04 From: Allentown, PA Member No.: 3,031 Region Association: None
|
Do the turnsignals work left and right?
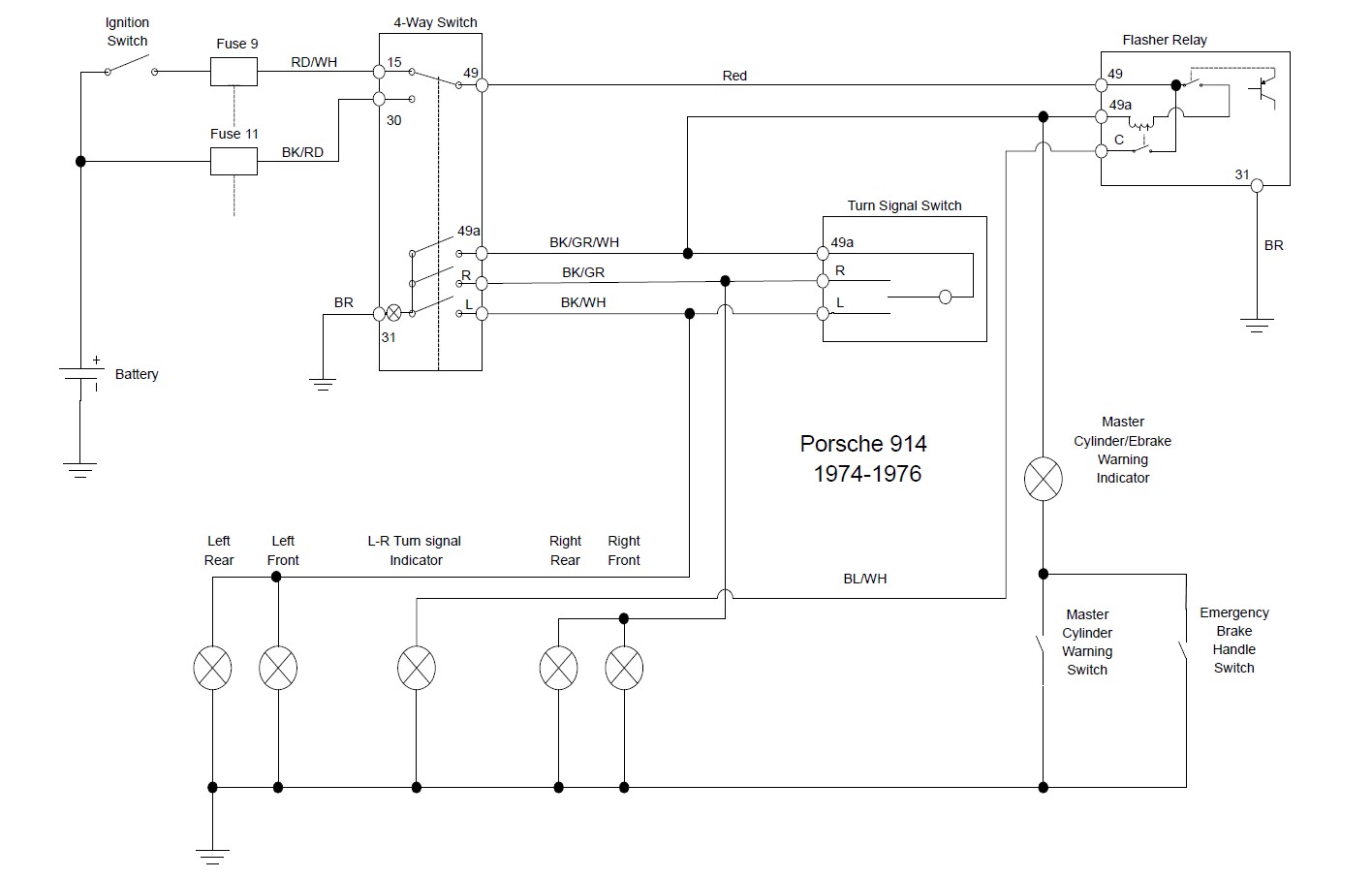
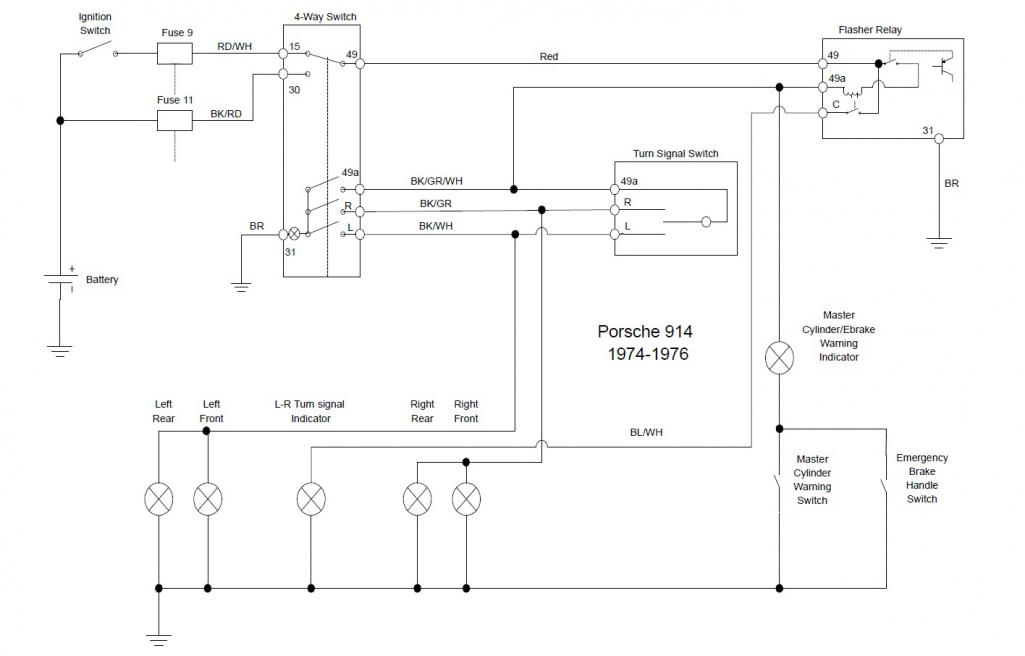
Do the hazards flash all external turnsignal bulbs? Does the L/R tach indicator flash with the turnsignals? Below is the basic schematic for the 74-76 914 with single L/R tach indicator. The tach indicator is powered by the C/K/C2 pin of the flasher relay. That should only operate with flashers flashing. What other wiring work was done? |
![]() ![]() |
|
Lo-Fi Version | Time is now: 3rd April 2026 - 07:38 PM |
| All rights reserved 914World.com © since 2002 |
|
914World.com is the fastest growing online 914 community! We have it all, classifieds, events, forums, vendors, parts, autocross, racing, technical articles, events calendar, newsletter, restoration, gallery, archives, history and more for your Porsche 914 ... |